中心动态

Center Dynamics

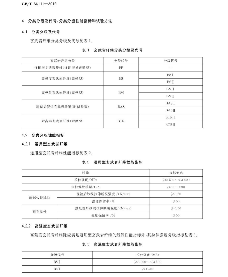
GB/T 38111-2019《玄武岩纤维分类分级及代号》正式实施

发布时间:2020-10-28  浏览人数:

GB/T 38111-2019《玄武岩纤维分类分级及代号》国家标准于2019年10月18日发布,现已于2020年9月1日正式实施。

该标准由东南大学、南京玻璃纤维研究设计院有限公司等11家单位起草。标准主要内容如下: